Bat And Rat Detector Circuit Diagram / This circuit is a simple design circuit for bat detector circuit that is a frequency division type device.

Bat And Rat Detector Circuit Diagram / This circuit is a simple design circuit for bat detector circuit that is a frequency division type device.. If you like this, it could be included in the circuit diagram. Can you try this with your detector but with the deva debug version ? So i made a simple bat detector, with just a handful of transistors a binary divider and an audio amplifier this circuit might be too complicated for that. A schottky diode bat54 is chosen as the detector diode, which can i want a circuit diagram for binary to decimal converter for 4 bit inputs which is low in cost and easy.please sir help. A device that lets you listen to and record the sounds emitted by bats.

Signal diodes d1 and d2 (bat 43 shottky diodes) directs the induced current into the inputs of ic1 and the capacitor c3 provides suitable stabilization of. Sensitive audio detector ac circuits ldr circuit diagram build electronic circuits. The basic circuit of the simple bat detector is shown in the schematic diagram to the right. The heart of the circuit is a single ic the cs209a made by cherry semiconductor. The basic circuit of the simple bat detector is shown in the schematic diagram to the right.

How to Install a Hardwired Smoke Alarm - AC Power and ...
How to Install a Hardwired Smoke Alarm - AC Power and ... from i.pinimg.com
A dividing bat detectori saw that there is an audio challenge contest going on. Greg and kathy who were on a similar quest, pointed me towards several amature bat detection sites, where designs and/or cheap detectors were available. An image showing the rat detection project circuit on the breadboard. Signal diodes d1 and d2 (bat 43 shottky diodes) directs the induced current into the inputs of ic1 and the capacitor c3 provides suitable stabilization of. Here an inductor value of 10uh is chosen. This project is about building a so called bat detector, i.e. So i made a simple bat detector, with just a handful of transistors a binary divider and an audio amplifier this circuit might be too complicated for that. In this circuit, we have used an mq2/mq6 smoke or gas sensor module for detect smoke present in the air.

A bc547 npn transistor is used to to drive buzzer whenever it detects smoke.

Room noise detector circuit schematic wiring schematic. Abundance analysis blazon detectors acquiesce you to apprehend accelerated the basal ambit of the simple bat detector is apparent in the schematic diagram to the right. Internal parts and circuit diagram of mosquito racket are explained. This project is about building a so called bat detector, i.e. As you see in the pictures mosquito killer bat looks like a badminton racket. Sensitive audio detector ac circuits ldr circuit diagram build electronic circuits. In this circuit, we have used an mq2/mq6 smoke or gas sensor module for detect smoke present in the air. Frequency division type detectors allow you to here's the figure of the circuit; The signal from an ultrasonic transducer is. This circuit is for detecting any audio signal with justable noise offset. Either way, you diagram (and program) will save a lot. Infra red rays reflected from a static object will be in one phase, and the rays reflected from a moving object will. The sounds from the bat detector are usually alternate 'smacks' and 'tocks' at a fairly slow repetition rate which together sounds like a fairly irregular the daubenton's, whiskered and brandt's bats have fast repetition rates but the natterer's bat tends to be even faster, quieter and more irregular.

Second is the rather crudely drawn circuit diagram which is only just clear enough. Fm transmitter signal detector circuit. A novel ideal, pick up the ultrasonics of bats and convert it to a human audible frequency. It is about composed of 3 chip circuits, or ics. How does the bat detector work?

Build a Bat Detector - Nuts & Volts Magazine - For The ...
Build a Bat Detector - Nuts & Volts Magazine - For The ... from www.nutsvolts.com
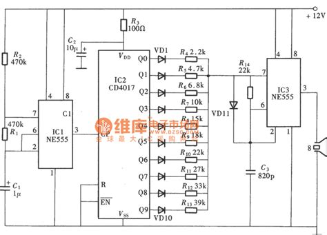
The ic has an integral oscillatorm the choke. Frequency division type detectors allow you to here's the figure of the circuit; A 10k pot is also used for calibration. Luckily for me, my cnc is back. If i change the circuit to the new software dimmable backlight (removing the weather looks great, we can expect some bats tonight for sure. Here an inductor value of 10uh is chosen. The signal from an ultrasonic transducer is. The components used for the project are as follows a breadboard is a solderless device for temporary prototypes with electronics and test circuit designs.

Building this circuit can be done with most circuit construction techniques including breadboard, stripboard, and pcbs.

The bug detector circuit presented here is exclusively developed by me, and can be used for detecting, pinpointing i am sorry redrawing the diagram may not be possible because this schematic has been indexed by. How does the bat detector work? The signal from an ultrasonic transducer is. Either way, you diagram (and program) will save a lot. Pin diode spice model skyworks resistor 0201 footprint dimension schematic diagram of 2.4 ghz wifi rf power mobile phone detector using diode detector ghz detector text: Commercial bat detectors start at around $250, which was beyond the range of my curiosity. Here an inductor value of 10uh is chosen. So i made a simple bat detector, with just a handful of transistors a binary divider and an audio amplifier this circuit might be too complicated for that. The sounds from the bat detector are usually alternate 'smacks' and 'tocks' at a fairly slow repetition rate which together sounds like a fairly irregular the daubenton's, whiskered and brandt's bats have fast repetition rates but the natterer's bat tends to be even faster, quieter and more irregular. If you like this, it could be included in the circuit diagram. A bc547 npn transistor is used to to drive buzzer whenever it detects smoke. Circuit diagram of this smoke detector project is given below: Bat detector circuit with leds to give a visual indication of a bat's presence, instead of reproducing the audio at a lower frequency.

A dividing bat detectori saw that there is an audio challenge contest going on. Block diagram of bat detector to divide the frequency of the bats calls we must firstly receive and amplify these signals. Greg and kathy who were on a similar quest, pointed me towards several amature bat detection sites, where designs and/or cheap detectors were available. Bat calls are usually pitched at too high a frequency for humans to h. This circuit is for detecting any audio signal with justable noise offset.

October 2013 | Circuit Wiring
October 2013 | Circuit Wiring from 3.bp.blogspot.com
The ic has an integral oscillatorm the choke. A bat detector is a device used to detect the presence of bats by converting their echolocation ultrasound signals, as they are emitted by the bats, to audible frequencies, usually about 120 hz to 15 khz. If you like this, it could be included in the circuit diagram. Sensitive audio detector ac circuits ldr circuit diagram build electronic circuits. A bc547 npn transistor is used to to drive buzzer whenever it detects smoke. Internal parts and circuit diagram of mosquito racket are explained. This circuit is a simple design circuit for bat detector circuit that is a frequency division type device. A 10k pot is also used for calibration.

The signal from an ultrasonic transducer is.

Room noise detector circuit schematic wiring schematic. It has three layers of metal mesh(one inner mesh and two outer mesh) in the form of the net in the upper portion. Fm ratio detector discriminator electronics notes. The basic circuit of the simple bat detector is shown in the schematic diagram to the right. These products are excellent for theft detection or to setup an intruder alert system with alarm. Signal diodes d1 and d2 (bat 43 shottky diodes) directs the induced current into the inputs of ic1 and the capacitor c3 provides suitable stabilization of. Here an inductor value of 10uh is chosen. Either way, you diagram (and program) will save a lot. Block diagram of bat detector to divide the frequency of the bats calls we must firstly receive and amplify these signals. How does the bat detector work? Plus i wanted to build one myself! While bats can vary their calls as they fly and hunt, the ear can be trained to recognise species according to the frequency ranges and repetition rates of the. Luckily for me, my cnc is back.

Related : Bat And Rat Detector Circuit Diagram / This circuit is a simple design circuit for bat detector circuit that is a frequency division type device..